Mengatasi Tegangan B+ Melonjak atau over pada TV Tabung
Kali ini saya ingin membahas mengenai cara kerja rsgulator tv dan penyebab tegangan over/melonjak tinggi pada tv tabung. Dengan mengetahui cara kerjanya, maka kita lebih mudah dalam mencari kerusakannya.
![]() |
| Ilustrasi: TV Tabung |
Agar tegangan B+ stabil pada 125v
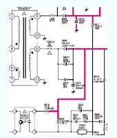
Tegangan B+ dari D805 dimonitor oleh IC803 KA431 melalui resistor R817 123 K Ohm. Misalkan, jika tegangan B+ naik, maka IC803 akan memberikan feedback ke bagian regulator agar tegangan output dari switching regulator diturunkan. Begitu sebaliknya, jika tegangan B+ turun, maka IC803 akan memberikan umpan balik agar tegangan B+ dinaikkan.Penyebab Tegangan B+ Over (melonjak)
Biasanya ini disebabkan karena nilai R817 molor, akibatnya tegangan yang masuk ke IC803 turunPenurunan ini akan dibaca oleh IC803 bahwa B+ tegangannya turun (padahal kenyataannya tidak).
Maka IC803 akan memberikan feedback agar regulator menaikkan tegangan B+, sehingga tegangan B+ melonjak.
Penting untuk diperhatikan:
Untuk mendapatkan tegangan 125v dengan tepat R817 harus diganti dengan nilai yang pas - menggunakan resistor kualitas bagus (toleransi bagus). Jika diganti dengan nilai yang lebih kecil - tegangan B+ akan kurang dari 125v, sebaliknya jika diganti dengan nilai yang lebih besar, tegangan B+ akan lebih besar dari 125v. Karena sulit untuk mendapatkan resistor dengan nilai 123K, maka bisa diganti dengan resistor 100K + 22K yang dipasang seri.
Tegangan tinggi FBT over (tidak normal)
Tegangan tinggi dari FBT bila keluar tegangan di atas normal (over), dapat menyebabkan keluarnya percikan/kebocoran pada kop karet yang terpasang pada CRT, meski kop karet masih baru dan sudah rapat. Over tegangan tinggi FBT ini juga dapat diperiksa dengan mendekatkan kertas pada kabel tegangan tinggi, akan keluar semburan listrik dari kabel ke kertas (padahal kondisi kabel bagus).Coba Perhatikan gambar berikut!
![]() |
| Skema regulator TV |
![]() |
| Letak Resistor jika tegangan b+ melonjak |
![]() |
| Resistor yang perlu diperiksa |




Sangat membantu
BalasHapus